Il n’y a pas vraiment de complication au câblage et installation de ces moteurs.
voici le schéma de principe

Voici (en préambule) les différents accessoires et réf de ces moteurs
-PL 11 = moteur sur table
-PL 10 = moteur sur (1) ou sous table (tige longue avec la lettre E) entre 2 & 2,4 ampères
-PL 10 W = identique ci-dessus mais moins gourmand en énergie (tige longue avec la lettre E) entre 1 & 1,1 ampères
-PL 9 = embase pour la pose sous table des PL 10
-PL 12 = adaptateurs pour la pose des PL 10 sur table (ou sous table pour pose en décalé)
-PL 13 = switch (sur PL10) pour la réalimentation du cœur des aiguillages « Electrofrog »
-PL 15 = double contacteur (sur PL10) avec dispositif fin de course
-P001 = plaque de montage pour couvrir le trou de 40mm x 20 mm dans la planche (en cas de montage du moteur direct sur l’aiguillage).
(1) pour cette option on utilise l’adaptateur PL-12 qui est prévu pour s’accrocher au petits tétons externes de la traverse mobile.







Le moteur se fixe sur les encoches prévues dans les traverses de l’aiguillage en insérant la plaque P-001 (1) avec les 4 agrafes extérieures et en repliant les 2 centrales.
Mais il faut donc effectuer une découpe de 4 x 2 cm dans le CP et ensuite en cas de panne démonter soit en enlevant l’aiguillage au complet !!!
soit en redressant les 4 agrafes et enlever le moteur par dessous (le plus dur sera de remettre le remplaçant !!!)
j’en ai 2 ou 3 installés comme ça mais si je devais les enlever je les installerai en décalé + cordes à piano.(avec éventuellement l’adaptateur PL-12)
(1) sur mon réseau j’ai intercalé des morceaux de papier à poncer couleur ballast
Voici le schéma





Câblage des contacteurs PL-15 pose :
-1 = directement sous le moteur qui est fixé a l’aiguillage
-2 sous le réseau et sur le moteur dessous
on voit également un schéma pour le retour d’info au TCO



Le modèle PL-10WE est équipé d’un tige plus longue pour un montage au dessous de la planche, permettant aussi d’actionner les aiguillages d’autre fabricants n’étant pas équipés des encoches permettant le montage du moteur PECO, il est donc nécessaire de monter l’embase PL-9, qui assurera la fixation du moteur sous le plan de roulement.
ATTENTION: La plan de roulement ne doit pas être plus de 15mm (sur mon réseau le CP fait 10mm d’épaisseur)
Voici une vue du câblage de mes moteurs (que je prépare à l’établi) vous remarquerez la présence de 2 câbles supplémentaires (en noir et rouge) qui sont raccordés sur les SWITCHS (dont je vais décrire l’usage un peu plus loin) que je fixe avec du scotch (certains modélistes les fixent avec une goutte de colle cyano…), j’ai eu besoin de les démonter pour changer de mode de réalimentation des cœurs et…j’étais content de ne pas les avoir collés (29 oufffff)
La pose décrite ici sera sous le plan de voie (en CP pour ce qui me concerne) fixé des embases PL-9 pour un aiguillage « Electrofrog » (avec un switch PL-13)
Donc on plie les 2 agrafes centrales du moteur, on emboite le coté en relief de l’embase sur les 4 agrafes restantes et on torsade (comme indiqué sur la notice Peco) soit on replie les agrafes vers l’intérieur (ce que je fais et…ça va très bien.
Et dans la foulée les switchs PL13
J’ai choisi comme couleur de câblage pour le moteur, le vert, jaune et orange et pour le switch rouge et noir (comme la voie)
Je shunte sur un coté du moteur (le fil vert) de l’autre côté le jaune et l’orange sont les alims de l’interrupteur ou décodeur DCC le vert est raccordé au transfo ou décodeur DCC (les jaune et orange en cas d’interrupteur sont alimentés par l’autre borne du transfo.
NB : en cas d’interrupteur = choisir des poussoirs ou des inter momentanés (pour éviter de laisser trop longtemps les bobines alimentées qui risqueraient de griller) c’est pourquoi dans cette config il vaut mieux utiliser le contacteur PL-15 (à la place de l’embase PL-9) qui servira non seulement d’embase mais ce dispositif ayant des contacts de fin de course le courant est coupé.
ce qui donne ceci 😦 1er schéma emprunté à loco revue Hors-série N°11 3/2008)
NB : la 3ème photo a été réalisée sur un module d’exposition dont j’avais fixé l’aiguillage sous une partie en relief avec sur le plan de roulement du polystyrène extrudé de 20mm et lors de la pose du moteur la tige était trop courte !!! La solution que j’avais trouvé à l’époque consistait à découper une rondelle avec une scie cloche et recoller le CP plus haut !!!! Aujourd’hui avec + d’expérience je placerai le moteur en décalé avec de la corde a piano.



Pour ceux qui commande les aiguillages avec un interrupteur MOM et qui souhaitent installer des Leds sur leur TCO pour indiquer la voie déviée voici un petit schéma
/image%2F2123374%2F20221204%2Fob_844395_alim-switch-et-leds.jpg)
Concernant le trou de passage : je pose (provisoirement) l’aiguillage a son emplacement, je bloque la position de l’aiguille avec une punaise sur la position centrale (entre deux manœuvres) je prends ma mini perceuse équipée d’un forêt de 1mm je perce (le plan de roulement) dans le trou de la traverse mobile (voir Schéma suivant) et ensuite j’enlève l’aiguillage je perce à 10mm et après un bon nettoyage du chantier (avec mon aspirateur) je replace définitivement l’aiguillage.
Pour maintenir l’aiguillage (pendant la pose des vis) = selon l’emplacement du moteur il me faut parfois une 3ème main !!!
Alors je rentre la tige du moteur dans la traverse mobile et je fixe provisoirement une des vis du moteur et par dessus (sur la tige qui dépasse) avec une pince « Kocher » (1) et ainsi je peut retourner sous le plan de roulement fixer tranquillement le moteur (sans crainte que celui-ci ne retombe !)
NB si jamais vous devez percer le trou de 10mm sans pouvoir enlever l’aiguillage, vous pouvez glisser un petit morceau de tôle sous l’aiguillage, mais ATTENTION c’est une opération délicate surtout quand le forêt débouche ! et ensuite bien nettoyer avec un aspirateur.
(1) pince en forme de ciseau que l’on trouve dans les articles médicaux ou bien parfois dans l’outillage pour l’électronique.(voir image ci-après)



Concernant les switchs les fils noir et rouge sont reliés a la voie coté amont de l’aiguillage et le fil vert relié au cœur avec les aiguillages Electrofrog (avec des Insulfrog qui ont le cœur isolé ce n’est pas nécessaire.)

Pour la commande des moteurs d’aiguillages je n’utilise pas d’interrupteurs (donc pas de TCO physique) mais soit l’écran de la centrale ECoS ou bien le TCO du logiciel TrainController ou mieux c’est ce dernier qui gère la manœuvre, mais en DCC pour que cela fonctionne il faut installer des décodeurs qui peuvent être individuels ou bien en boitiers (les électroniciens se les fabriquent eux même et vous devriez trouver (pour ceux qui sont tentés par ce travail ) des tutoriels sur le net.
Sinon dans le commerce vous aller en trouver chez Lenz, LDT, Viessmann, ESU, CDF etc…
Les miens sont des CDF (matériels que je trouve très fiables)



j’ai installé 8 décodeurs de chez CDF qui sont équipés avec décharge capacitive. (Voir mes tableaux électriques dans les sujets consacrés à la construction du réseau)
Le principe de la décharge capacitive
(Article de Stéphane Ravaut professeur en électronique)
Décharge capacitive pour moteurs PECO
Le principe de la décharge capacitive est assez simple, (il y existe deux schémas de décharge capacitive) :
1- Le plus connu, c’est celui-ci :
Le condensateur se charge en permanence avec un TOUT PETIT courant, à travers la résistance située à l’entrée (la diode évite de décharger le condensateur vers l’alim au cas où…). Lorsque l’un des deux interrupteurs est fermé, le condensateur se décharge d’un seul coup dans la bobine correspondante. L’intensité est donc suffisante pour basculer l’aiguillage, et il est de très faible durée. Si toutefois le poussoir reste fermé, le courant passe mais l’intensité est tellement faible qu’il n’y a aucun danger (mais pendant ce temps, le condensateur ne se recharge pas !). Il faut relâcher le poussoir pour que le condensateur de recharge à nouveau.
2-Le deuxième montage (un peu moins connu) est le suivant :
(remarque : Rendons à César ce qui lui appartient, cette illustration vient du site « p’tit train ».)
La bobine est ici aussi alimentée par une pointe de courant importante dès que l’interrupteur est basculé du côté de l’alimentation. Ici aussi, cette pointe de courant est extrêmement brève. Car une fois le condensateur chargé, le courant DEVIENT NUL, et ceci même si l’interrupteur reste fermé. Il n’y a donc pas de courant de fuite. Pour alimenter l’autre bobine, il suffit de basculer l’interrupteur vers l’autre bobine. Le condensateur se décharge alors d’un seul coup dans l’autre bobine. L’énorme avantage de système, c’est que le basculement vers la seconde bobine ne consomme AUCUN courant car c’est le condensateur qui sert d’alimentation.
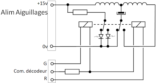
C’est ce système choisi par Stéphane car il permet l’utilisation de relais bistables (génial pour la rétro signalisation). Compte tenu du fait que si on utilise une commande digitale, il est impossible de commander directement chaque bobine. On doit donc passer par un relais ! Voici le principe de son montage :

Petite explication : La sortie du décodeur (en bas à gauche) commande l’un ou l’autre côté du relais bistable. Cela bascule les deux contacts du relais. L’un des deux est utilisé pour la décharge capacitive, et l’autre contact permet d’alimenter deux Leds qui indiquent la position de l’aiguillage sur le TCO.
Ce dernier système, vous l’avez compris, ne sollicite l’alimentation Que lorsqu’on commande la première bobine.
Cela me permet de commander des itinéraires en branchant judicieusement les bobines sollicitées par chaque itinéraire :

– la voie 1 ne demande la commande que de la bobine A1 seule c’est donc celle-ci qui sera reliée au côté du + (celle qui sollicite l’alim).
– la voie 2 exige la commande d’A2 et B1. Donc, c’est B1 qui sera reliée au + (A2 ne consomme rien puisqu’elle utilise la charge du condensateur).
– la voie 3 exige la commande d’A2, B2 et C1. C’est donc C1 qui est reliée au +. A2 et B2 ne sollicitent pas l’alim.
– la voie 4 exige la commande d’A2, B2 et C2. Là, c’est le pied ! L’alimentation n’a rien à fournir, ce sont les condensateurs propres aux aiguillages qui fournissent.
Voir le site de Stéphane
Si des questions subsistent sur les autres points abordés n’hésitez pas a les poser dans les commentaires.
vue de mes moteurs (en gare cachée N-1) placés sous la gare principale N0 dénommée « Basseville » (voir le sujet de la construction de mon réseau)
comme on le voit sur cette photo il faut laisser suffisamment de hauteur à la gare cachée (ou coulisse) pour les interventions éventuelles de maintenance.
Vues des moteurs et câblages sous la gare cachée
Laisser un commentaire