Construction de mon réseau HO 2ème partie

Cette suite est consacrée aux points suivants :

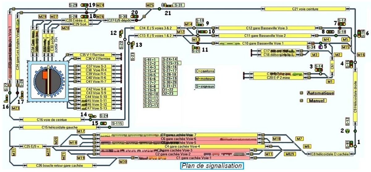
La signalisation du réseau

La refonte du fond de décors et constructions en cartons et aménagement intérieurs des bâtiments

Aménagements du dépôt et du pont tournant

Un petit retour sur la confection des quais ainsi que l’aménagement de la gare « Les Angles » (au fond gauche)

L’aménagement des passages à niveaux dont l’un est motorisé

La gestion informatique du réseau (1) et divers modules électroniques

Un petit résumé sur les installations électriques devant et sous le réseau

L’aménagement des trois gares (dont celle sur voie métrique et station de la place du tramway

Le ballastage des voies

Le but des décors :

Les aménagement le long des voies

Les talus des routes

L’aménagement montagneux et la mine/carrière

-etc…

SONY DSC

Voici le plan de la signalisation du réseau

validée par un technicien de la SNCF qui pratique également le modélisme HO

(ce qui a permis de ne pas surcharger ce petit réseau tout en restant a peu près cohérent).

La difficulté étant les circulations a voie unique dans les 2 sens !!

Pour apprendre et étudier la signalisation ferroviaire française : je vous conseille de consulter ces sites :

Signalisation ferroviaire en France — Wikipédia (wikipedia.org)

Pour la fourniture de mes signaux (qui sont des kits laiton) je me suis approvisionné ici : Les Signaux de Guy.over-blog.com – Création de signaux lumineux ferroviaires SNCF Ho 1/87 en Maillechort et Laiton. Passionné de modélisme ferroviaire et plus particulièrement la création de signaux lumineux. Certaines de mes créations sont en vente sur eBay cela me permet de financer mon réseau et autre.

Pour les modules  électroniques des signaux j’ai consulté : stephane.ravaut.free.fr/Train_miniature/Menu_Train_Miniature.html

La gestion de la signalisation sera réalisée par le logiciel :

TrainController, via ma centrale ECoS de chez ESU

(c’est a dire que ce ne sont pas les feux qui vont gérer les arrêts des trains mais le logiciel en fonction de leur position calculée par ce dernier ce qui m’a considérablement simplifié le câblage).

​Il y a  21 signaux électriques et  2 signaux mécaniques qui seront implantés sur la voie HOm.

​voici les images de la livraison du matériel et qq images des implantations

Voir le diaporama ci-dessous pour les différents signaux installés

ayant la nécessité d’installer de la nappe 10 conducteurs pour les broches HE10 des modules et de l’autre les câbles des signaux.

j’ai fabriqué des bornier (a partir de ceux destinés pour les circuits imprimés ) :

ce sont deux borniers de 5 éléments que je colle sur des petits morceaux de plaques d’essais ,ensuite je coupe les picots qui dépassent et je colle l’ensemble sur un morceau de Forex de 2mm d’épaisseur (pour pouvoir les fixer facilement, car les plaques d’essais sont fragiles)…

ainsi j’en ai fait 22 comme cela :

voici par exemple ceux des signaux 12 et 14

La dernière photo est placée a l’envers

Ayant peu de place sous le réseau j’ai fait deux tableaux électriques qui sont situés sur le devant des deux hélicoïdales comportant chacun :

-sur la face avant : les modules décodeurs pour aiguillages et les modules de rétro signalisation

-sur l’ arrière les alimentations 230 V (protégées par disjoncteur différentiel), ainsi que des transformateurs 18 V , 15 V alternatifs et 12 V continu ainsi que barrettes de raccordements.

Sauf des petites cartes électroniques pour les cœurs d’aiguillages et la signalisation qui sont sous le réseau.

Voici les photos des tableaux qui ont été améliorés depuis…

T1 face AV

T1 vue AR

T2 face AV

SONY DSC

T2 vue AR

Ainsi que les plans de raccordements

Lors de l’aménagement du dépôt j’avais prévu l’installation d’une remise MKD (acquise d’occasion) et je souhaitais en installer une 2ème pour meubler l’espace et l’opportunité s’est présenté lors d’une promo.

j’ai fait donc fait une embase en forex de 4 mm et j’ai rajouté une 2ème fosse pour pouvoir poser le bâtiment.

A droite du réseau) j’ai réhabilité et aménagé l’intérieur d’un ancien poste d’aiguillage Jouef type « Saxby »

Début 2016 j’ai repris le  fond de décor,

qui me plaisait que moyennement et j’ai décidé de modifier les images d’arrière plan avec des dessins plus « réalistes ».

Toujours en décors urbain et de décaler les façades Régions et Cie afin de donner du relief.

Soit une maison de 8mm de profondeur et une de 15mm et ainsi de suite en décalant la profondeur pour arriver sur le coté gauche à 40mm pour cacher l’angle.

Avec un trottoir de 9mm de profondeur, j’ai une emprise que de 24mm sur la chaussée.

Il a donc fallut découper les toitures en faire des nouvelles que j’ai recouvert de textures redutex.

Fait des mini pignons

et aménagements intérieurs

j’ai fixé les 16 façades sur une support carton de 2,60 m de long

Construction deuxième réseau (2ème partie)
Construction deuxième réseau (2ème partie)
Construction deuxième réseau (2ème partie)
Construction deuxième réseau (2ème partie)

Coté gauche de la poutre :

l’enfilade sera plus courte sur 0,60 m de long, mais par contre la voie du tram étant décalé sur l’avant je vais pouvoir faire des immeubles plus profond de + 10 mm que les premiers.

Construction deuxième réseau (2ème partie)
Construction deuxième réseau (2ème partie)
Construction deuxième réseau (2ème partie)
Construction deuxième réseau (2ème partie)
Construction deuxième réseau (2ème partie)
Construction deuxième réseau (2ème partie)
Construction deuxième réseau (2ème partie)
Construction deuxième réseau (2ème partie)
Construction deuxième réseau (2ème partie)
Construction deuxième réseau (2ème partie)
Construction deuxième réseau (2ème partie)
Construction deuxième réseau (2ème partie)
Construction deuxième réseau (2ème partie)
Construction deuxième réseau (2ème partie)
Construction deuxième réseau (2ème partie)

Et je fais le retour gauche du dépôt.

A savoir que mes fonds de décors sont collés sur un panneau médium de 5mm recouvert d’une peinture acrylique bleu ciel très clair et les nuages « tapotés » avec un pinceau plat.

Dans la foulée j’ai profité que les 2 ponts et la trappe de visite étaient démontés et comme il faut a chaque fois aller faire des contorsions derrière la poutre pour faire :

 les quais de la gare 2 (Les Angles)
– le fond de décor « industriel »
– faire le ballastage des voies
– installer les 4 feux de cette zone (mais non raccordés électriquement pour l’instant)
– finition de la peinture d’apprêt du sol du dépôt

Construction deuxième réseau (2ème partie)
Construction deuxième réseau (2ème partie)
Construction deuxième réseau (2ème partie)
Construction deuxième réseau (2ème partie)
Construction deuxième réseau (2ème partie)

Sur le coté extrème gauche il me restait encore 0,90 m de fond de décor à créer

Construction deuxième réseau (2ème partie)
Construction deuxième réseau (2ème partie)
Construction deuxième réseau (2ème partie)
Construction deuxième réseau (2ème partie)
Construction deuxième réseau (2ème partie)

En avril 2016 je commence de dernier relief extrème gauche du réseau et la construction d’une rotonde 4 voies (en PVC)

Mais cette dernière sera remplacée et fera l’objet d’un sujet dans la rubrique :

« construction de maquettes ».

Construction deuxième réseau (2ème partie)
Construction deuxième réseau (2ème partie)

Quelques aménagements et améliorations diverses en mai et juin 2016

Construction deuxième réseau (2ème partie)
Construction deuxième réseau (2ème partie)
Construction deuxième réseau (2ème partie)
Construction deuxième réseau (2ème partie)
Construction deuxième réseau (2ème partie)
Construction deuxième réseau (2ème partie)
Construction deuxième réseau (2ème partie)

Les tx suivants vont aborder a suite du câblage des signaux et leur programmation.

Plan des différents périphériques et PC

Construction deuxième réseau (2ème partie)

La suite dans la  troisième partie…Publié le Auteur Jicede95Catégories Conception & Construction de mon réseau

Article suivant : Construction de mon réseau HO 3ème partie


Commentaires

Une réponse à « Construction de mon réseau HO 2ème partie »

  1. […] Construction de mon réseau HO 2ème partie […]

    J’aime

Laisser un commentaire